QCB63
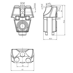
Wechselstollen (Schaftsystem BH07)
Standard Wechselstollen der für alle Bodenbedingungen geeignet ist. Große Hartmetalle sorgen für lange Standzeiten. Sehr aggressive Schneidgeometrie. Befestigungsspannstifte sind enthalten. Dieser Artikel ist funktionsgleich zu BA63.
Typ - Wechselstollen
Wechselstollen


